Fornire un circuito combinatorio minimale a due livelli SP che calcoli la funzione Sigma4(0,1,2,3,7)
Tracciamo la mappa di Karnaugh della nostra funzione:

e quindi segniamo su di essa gli implicanti essenziali, ricavando la forma SP minimale:

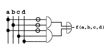
f(a,b,c,d) = a'b' + a'cd
Otteniamo, infine, il seguente circuito combinatorio:
