Descriviamo l'automa a stati finiti:

            X = {0,1}

            Z = {0,1}

            S = {A,B}

dove:
  
           A = e' arrivato in input 0

           B = e' arrivato in input 1


Il diagramma di flusso e' il seguente:




La tabella delle transizioni sara':



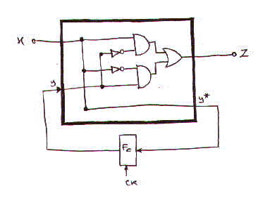
Realizziamo la parte combinatoria. Le mappe di karnaugh saranno:



Quindi in definitiva il circuito sara':