Consideriamo un sistema di 2 fotocellule poste a circa un metro di distanza l'una dall'altra e cerchiamo di creare un sistema in grado di riconoscere un uomo da una macchina.

Avremo 3 stati

A= Non e' passato niente
B= Sta passando qualcosa
C=E' passata una macchina

E come input i segnali F1 F2, indicheremo F1 la prima fotocellula se attraversata da qualcosa e F2 la seconda fotocellula se attraversata da qualcosa. L'uscita sara' 0 finche' non passera' una macchina e diverra' 1 quando la macchina sara' passata del tutto (per evitare il solito problema di tagliarla in 2 con la sbarra). Il diagramma degli stati sara' dunque il seguente

La tabella di flusso derivante sara':

Quindi otterremo le seguenti mappe di Carnaugh rispettivamente per Y'1, Y'2 e Z

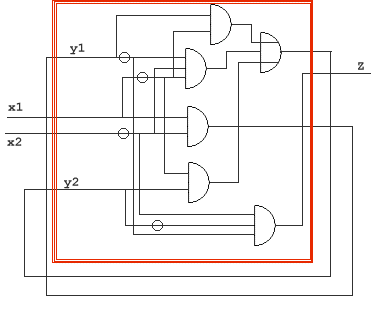
Otterremo cosi' le funzioni:       x1 x2  (per la Y'1) , y1 x1 + y2 x1 + y1 x1 x2 (per la Y'2) , y1 y2 x2 (per la Z)

Dunque il circuito finale sara':

Che andrebbe dunque connesso alle entrate x1 e x2 del circuito dell'esercizio precedente.

 

Marco Salfi