Considerate la mappa schematizzata nel seguito:
_______
| 1 0 1 1 |
| 0 0 0 0 |
| 0 0 1 0 |
| 1 0 0 0 |
----------
Supponete che, per motivazioni a noi oscure, si possano scegliere due configurazioni
di ingresso a piacere che non si potranno mai presentare. Scegliere tali
configurazioni in modo che il circuito SP sintetizzato dalla mappa risulti il
piu' semplice possibile.
Scegliamo tra le configurazioni di ingresso che non si potranno mai
presentare 0001 e 1111 in modo da avere la seguente mappa di Karnaugh

tracciamo gli implicanti primi essenziali

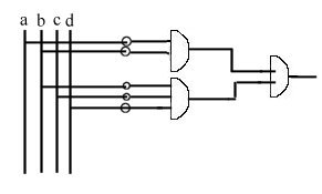
f= a'b' + b' c' d'
In questo modo si ottiene il pił semplice circuito SP sintetizzato

L. Di Odoardo, M.Firrincieli, E. Rizzo